信息物理融合能源系统的协同控制与优化

日期:2025-08-06 10:28

导读:202575日,由中国科学技术协会主办、中国自动化学会承办的复杂系统自学习逆最优理论与方法专题论坛在中国科技会堂召开。

华北电力大学教授肖峰受邀参加本次专题论坛并作题为信息物理融合能源系统的协同控制与优化的报告。报告以分布式能源为研究背景,围绕信息物理系统的分布式控制与决策的建模与分析,给出以下方向的研究成果:信息物理系统的稳定性与鲁棒性、网络攻击下微电网的安全与协同控制、事件驱动协同优化、分布式纳什均衡搜索、聚合博弈中的在线分布式学习等。研究成果刻画了子系统网络间的耦合作用,揭示了个体动力学、通信网络结构和个体利益最大化之间的关系。研究结果应用到分布式能源系统在网络攻击和竞争机制下的协同与博弈建模、策略演化研究中,为构建新型能源管理系统提供了理论支撑。

一、研究背景

在现代电力系统中,微电网作为一种新兴的系统形态,正逐渐成为推动能源转型与分布式能源接入的关键技术路径。微电网的概念最早于二十年前在美国提出,它的目的是构建一种具备自治能力的小型电力系统,如图1所示。其核心组成部分包括:分布式电源、储能系统、可控负荷以及相关电力电子设备。经过多年的发展,尤其是随着2015年我国可再生能源政策的加速推进,以及《能源生产和消费革命战略》等国家层面政策的持续引导,微电网被明确提出加强与智能电网深度融合,成为支撑我国能源绿色转型的重要技术途径之一。

 

1 微电网

微电网具有典型的分布式、自治与双向互动特性,是分布式能源系统的重要代表形式。其主要特征体现在:能够实现发电侧与负荷侧之间的信息与能量的双向交互;同时,通过储能系统实现负荷调节与能量管理,从而在一定程度上具备--一体化的运行能力。微电网不仅在提高可再生能源就地消纳方面具有显著优势,还能有效提升系统运行的安全性与可靠性,降低碳排放与运行成本,因此被广泛视为实现清洁低碳能源系统的关键路径之一。我们聚焦于微电网架构设计、运行控制与优化调度等关键问题展开相关工作。

根据结构形式的不同,微电网可划分为交流微电网、直流微电网及交直流混合微电网三种类型,如图2所示。其中,交流微电网因涉及频率和相位调控问题,其系统控制较为复杂;而直流微电网便于可再生能源和储能系统的接入,无需考虑无功补偿和频率同步等问题,控制相对简单。交直流混合微电网则兼具两者优势,能够兼容多种能源和负荷形式,具备更强的系统灵活性与扩展性,但其控制系统设计与协调机制更为复杂,对系统集成与控制策略提出了更高要求。

 

2 微电网类型

根据其与主电网的连接方式,微电网可分为并网型微电网与孤岛型微电网。前者与主电网存在能量与信息交互,可在主电网发生故障时实现快速切换运行;而后者则通常部署在工业园区、孤立区域等场景中,具备独立运行能力,完全依赖本地资源实现能源供给与调度管理。从控制体系结构来看,微电网通常采用三级控制架构:一级控制、二级控制和三级控制,分别对应不同的时间尺度和控制目标,如图3所示。一级控制的目标是实现系统的电压与频率稳定,维持功率的供需平衡。该层通常采用下垂控制策略,可适用于多分布式电源并联的运行模式。依据控制方式不同,一级控制可进一步分为主从式控制与对等式控制。其中,在对等控制中,各发电单元均采用下垂控制进行自主调节,但由于线路阻抗和下垂系数的影响,系统总线电压与期望电压间会产生偏差,需要通过更高层级的协调控制予以修正。

 

3 微电网分层控制架构

二级控制主要功能在于恢复系统频率和电压至参考值,并实现多发电单元之间的协调运行。控制策略主要分为三类:集中式控制、分散式控制和分布式控制,如图4所示。集中式控制结构清晰但对通信网络的依赖程度高,存在单点故障风险;分散式控制中每个节点独立运行,虽然具有一定鲁棒性,但缺乏全局协同能力;而分布式控制结合分散式控制的局部控制与集中式控制的信息共享优势,通过节点间的信息交互提高了系统的可扩展性与容错性,因而近年来受到了广泛关注。尽管如此,分布式控制在优化算法设计、通信协议构建与系统稳定性等方面仍面临诸多挑战。

 

4 典型的控制策略

三级控制主要面向系统级的调度与经济运行,核心任务是进行全局范围内的能源资源优化配置。三级控制系统通常集成能量管理系统、调度优化器、功率分配器等功能模块,依据系统中各类电源、储能设备以及可控负荷的运行特性,制定最优运行策略。其目标不仅在于保障供电稳定与经济运行,更强调降低系统碳排放,促进绿色能源的高效利用。

以微电网为典型代表的信息物理融合系统的结构一般可划分为五层:物理层、感知层、网络层、控制层与应用层,如图5所示。其中,感知层负责数据采集与状态监测,控制层实现实时反馈调节,是实现系统自适应与智能化的关键。引入通信网络后,微电网也随之面临诸多网络安全风险,因此必须针对信息物理系统的安全问题制定有效的抵御防护机制。

 

5 微电网信息物理融合系统

典型的网络攻击类型包括:拒绝服务(DoS)攻击,其通过大量冗余数据或虚假请求占用网络资源,造成控制器间通信中断,从而影响系统稳定性;虚假数据注入(FDI)攻击,其通过篡改或控制数据,破坏系统状态估计与优化调度,导致运行效率下降甚至系统瘫痪;窃听攻击,其监听和捕获在网络中传输的数据,获取机密信息;重放攻击,其截获并重新发送数据,伪装成合法通信,欺骗目标系统。

DoS攻击可细分为持续型、周期型、随机型和能量受限型等,如图6所示。能量受限模型下,能量受限于设计的最大持续时间与允许发生最大频率,以最小资源消耗达到最大破坏效果。针对这类攻击,研究的核心问题是系统的稳定性与鲁棒性控制,同时也需要考虑网络通信的实时性、带宽受限等挑战。

 

6 Dos攻击类型

本报告的研究内容主要围绕信息物理融合能源系统在面临网络通信受限、网络攻击下的协同控制与优化决策问题展开,具体分为三个方面:一是系统稳定性与鲁棒性分析;二是安全控制与协同机制设计;三是非合作博弈与优化。

二、异步信息物理系统的稳定性与鲁棒性

在分布式控制架构下,每个节点系统具有自主决策能力,导致系统控制在时序上呈现出明显的异步特征。这种异步性主要来源于三方面:其一,子系统间在控制与决策执行过程中的相对独立性;其二,各网络节点在信息处理时存在不同程度的时间延迟;其三,网络延迟、拓扑结构变化或受到攻击时,会使原本同步的信息流变为非同步。

事件驱动控制是一种有效应对网络资源受限、降低通信频率的控制方法,但在分布式控制架构下,其非周期性驱动的特性会导致系统动态行为的异步性。传统的事件驱动策略多基于单一的逻辑变量与静态规则设计事件驱动条件。这类方法形式简单、易于实现,但在应对系统复杂动态特性、网络异步性以及安全威胁等方面存在明显局限。其另外一个缺陷是事件可能在短时间内密集发生,即发生Zeno行为,造成短期通信压力上升,影响全局稳定性。因此事件分离特性是事件驱动控制系统的重要性质。对于如何扩大事件间隔问题,文献中基于单一逻辑变量的静态规则方法属于间接方法,即在事件条件设计完成后分析验证事件间隔是否满足系统性能要求。为突破这一限制,我们提出一类直接方法,称为复杂逻辑驱动控制,其依赖于多个逻辑变量和复杂动态规则,在控制协议设计阶段便考虑事件间隔与驱动频率约束。有助于提高系统设计的灵活性和可预测性,为进一步提高控制性能提供可能途径。

2.1复杂逻辑驱动控制

复杂逻辑驱动控制包括时间-事件混合驱动控制、切换型事件驱动控制、双检/多检事件驱动控制等。时间-事件混合驱动控制包括周期事件驱动控制、异步非周期事件驱动控制、强制驻留时间类型事件驱动控制等。

在周期事件驱动控制中,事件的发生依赖于两个并列条件:一为传统的状态相关的事件驱动条件;二为时间条件,用于约束事件驱动条件检测时间在周期性的时间点集上。只有当这两个条件同时满足时,系统才会被驱动以采取必要的控制操作。异步非周期事件驱动控制机制也可同样被表达为两个逻辑变量的合取,其中时间条件约束事件检测时间点集。强制驻留时间类型事件驱动控制机制可以表达为三个条件的顺序判断,是一种动态规则,涉及三个逻辑变量,分别对应驻留时间条件、状态相关的事件条件和时滞条件。驻留时间的引入强制系统进入驱动条件无响应阶段,有效地抑制了控制动作的频繁发生。

切换型事件驱动控制机制包括两个或者多个事件驱动条件和相应的切换条件,任意时间均有一个事件驱动条件有效,当当前事件驱动条件满足时触发系统控制,当其切换条件满足时,切换到下一个事件驱动条件。

双检/多检事件驱动控制机制包括两个或者多个事件驱动条件,事件驱动条件顺序循环判断,当所有条件顺序满足后触发系统控制,再从当前条件开始顺序循环判断,周而复始。

2.2稳定性与鲁棒性分析方法

为应对由复杂逻辑驱动控制引发的动态复杂性和系统异步性,我们引入了时间平移方法、正向级数方法和积分条件方法。

时间平移方法:一种系统分析预处理方法。在适用的系统中,所有子系统关键控制事件相关的时间点属于某个具有周期特征的时间集,且所有子系统具有共同的周期。该方法通过对不同子系统分别进行时间平移变换,使得所有子系统虚拟同步,为后续分析奠定基础。此方法可以将异步系统转换成时滞系统,是分析异步和时滞关系的重要方法。

正向级数方法:一种系统稳定性和鲁棒性分析方法,此方法适用于一般的异步系统。基于多步状态转移公式,得到所应用Lyapunov函数的级数形式的上界估计,进而根据Lyapunov函数的正定性和正向级数收敛性判别法进行系统分析。

积分条件方法:该方法通过建立误差信号的积分形式的相对上界,衡量系统扰动与控制输出之间的能量关系。该方法对扰动、网络攻击下系统鲁棒性进行理论判定,提供明确的稳定性判据。

三、网络攻击下微电网的安全与协同控制

针对网络攻击下的微电网安全与协同控制问题,我们分别研究了单总线直流微电网和多总线直流微电网群应用场景,探讨了多种网络攻击下的分布式控制方法。

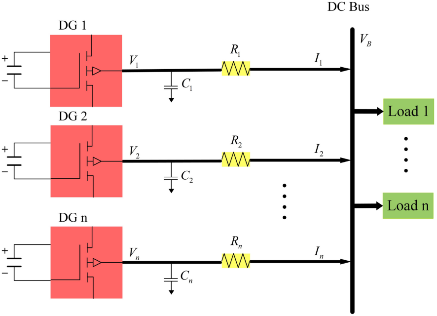
3.1单总线直流微电网

分布式直流微电网的应用愈发普遍,典型结构如图7所示。由于下垂控制的应用,电压恢复和电流共享无法同时保证。我们针对二级控制层提出了一种新的自适应安全控制策略,并采用事件触发机制来减轻通信负担。在消除总线电压偏差的同时,保证了分布式发电单元的电流共享。即使在能量受限型DoS攻击下,控制目标也可以很好地实现。此外,控制器和驱动机制的设计无需总线电压采样和任何全局信息。

 

7 孤岛直流微电网

3.2 多总线直流微电网群

电压调节和精确的电流共享两个控制目标在多总线直流微电网中是冲突的。为此,我们提出了一种分布式控制策略,它可以实现精确的电流共享并按比例调节关键节点的电压。但是,这种分布式控制系统容易受到潜在的网络攻击。网络攻击可通过破坏通信链路降低微电网的性能。为了克服这些问题,我们设计了互联通信网络,建立了一类针对未知有界FDI攻击的多个微电网组成的弹性协同系统,如图8所示。所提出的弹性控制策略可以实现不同工况下每个微电网内电压调节和电流共享的控制目标,以及由多个微电网组成的互联系统协作抵御网络攻击的不利影响。

 

8微电网群的互联协作系统

四、非合作博弈与优化

在分布式能源系统中,发电单元、储能单元以及用户侧负荷可通过各自的成本函数与收益函数进行策略博弈,从而在合作与竞争之间寻求平衡。合作模式下可构建全系统优化模型,通过集中式或分布式策略求解实现资源的全局最优配置;而在竞争环境下,博弈论提供了灵活的建模手段,其与多智能体系统有相似的模型框架,如图9所示。

 

9智能体系统与博弈模型

博弈论研究多个理性决策者之间的合作与冲突。如果参与者除了自利驱动的行为之外没有合作协议,则被称为非合作博弈。在复杂的能源管理系统中,非合作博弈是一种用于建模源、储、荷等相互作用的重要工具。典型的非合作博弈类型包括聚合博弈、联盟博弈、零和博弈等。

非合作博弈的一个重要概念是纳什均衡。该概念刻画了一种系统平衡点:在所有参与者策略固定的情况下,任何单个参与者都无法通过单方面调整自身策略来进一步降低代价或提高收益。纳什均衡是参与者基于其他参与者策略选择的最优策略,但并不意味着是全局最优策略组合,这一性质使其成为非合作博弈求解中的核心目标。

为确保纳什均衡的存在性与唯一性,系统模型通常需满足几个关键假设:其一,分布式系统的通信图需要保持连通性;其二,每个参与者的成本函数需具备凸性,策略约束集也需为凸集;其三,博弈映射应满足强单调性条件。在满足上述假设条件下,博弈系统的纳什均衡具有良好的可求解性,并可通过分布式算法逐步逼近。

博弈问题往往不仅包含静态/时变成本函数,还受到系统动态与时变策略集的共同约束。特别是在能源系统中,参与者的控制变量受制于一系列耦合约束,如可调功率、储能容量与节点电压范围等。若某一参与者的可行策略集合本身受到其他参与者策略的影响,即构成了广义纳什均衡问题。因策略空间耦合性,问题求解更为复杂,特别是在博弈代价无法即时反馈或完全不可观测的情况下,需要额外的机制设计与反馈结构加以处理。

挑战性问题:围绕上述应用背景,我们的研究聚焦于以下四类关键问题:(1)分布式纳什均衡搜索,主要针对线性动态系统聚合博弈的非完全信息情况,构建具有快速收敛性的估计机制,识别聚合变量并实现均衡逼近;(2)分布式广义纳什均衡搜索,在可行策略集耦合约束下引入反馈与协同机制,实现全系统自适应协调;(3)事件驱动下的聚合优化问题,通过引入事件驱动机制减少通信负担,提高系统整体性能;(4)反馈时滞聚合博弈中的在线分布式学习,在动态环境中持续调整个体策略,以提高系统的鲁棒性与实时性。

为应对系统中不可直接观测或不可知的策略信息,我们引入一致性估计协议。该协议通过构建辅助变量,实现对系统关键信息的一致性估计。这种方法使得个体在不完全信息条件下依然能够协同实现搜索策略的收敛。

广义纳什均衡搜索:该问题涉及聚合博弈中的参与者的动态性与策略约束结构,其中某些系统动态可等效表示为双积分模型。考虑了等式与不等式混合约束条件、异构线性系统等多种情况。针对一类成本函数未知的受约束非合作博弈,提出了一种基于分布式非模型的广义纳什均衡搜索算法。该算法融合了极值搜索控制和拉格朗日乘子协同算法,并引入了递减抖动信号,以消除经典极值搜索中出现的不良稳态振荡。

分布式连续时间聚合优化:该问题是基于价格的能源管理中的一个基本问题。分布式聚合优化的目标是最小化局部目标函数之和,该函数的表达式依赖于参与者自身决策和所有参与者决策的聚合。为了解决这个问题,我们提出了一种新的分布式连续时间算法,该算法结合了梯度动力学和双时间尺度的动态平均一致性估计器。同时,还研究了该算法在事件驱动通信下的应用。

聚合博弈中的分布式在线学习:提出了一个具有反馈延迟的新型聚合博弈模型。博弈参与者的策略从给定的策略集中选择,并受到全局非线性不等式约束。成本函数和约束函数都是时变的,这反映了环境的变化特性。在任何时候,每个参与者只能获取其策略集的信息,而其当前成本和约束信息是未知的。由于反馈延迟,相应的成本和约束的反馈信息在策略选择后不会立即透露给参与者。针对此类聚合博弈问题,我们提出了一种分布式学习算法。该算法基于来自邻居的局部信息和来自环境的延迟反馈信息,适用于时变加权有向网络拓扑。

*本文根据作者所作报告速记整理而成

嘉宾简介:

肖峰,教授,博士生导师,教育部新世纪优秀人才,国家优秀青年科学基金获得者,2012年入选哈尔滨工业大学人才引进百人计划第三层次,2016年聘为哈尔滨工业大学长聘教授。主持科学技术部、自然科学基金委、教育部、人力资源和社会保障部、北京市自然科学基金委等多项国家和省部级项目,获得2014年和2017年两项国家自然科学奖二等奖;获得2014年和2016年两项教育部自然科学奖一等奖;获得加拿大Killam Trusts Killam博士后奖和首届《中国科学:信息科学》十年经典论文奖;入选2020-2024年爱思唯尔中国高被引学者。

研究方向包括:协同控制与优化决策、智能电网、电力系统建模与仿真等。